菜单产品中心Product center
热门产品
产品说明
Features (特長)
● Reducing radio frequency interference and noise. (降低射頻干擾及噪音)
● Low Cost, High reliability. (低成本、高可靠性)
Applications (用途)
● VGA card, EGA card, Mother board, TV game.(電腦顯示卡、影像加速卡、主機板、電視遊樂器)
● 可周波吸收、雜訊信號波形整形
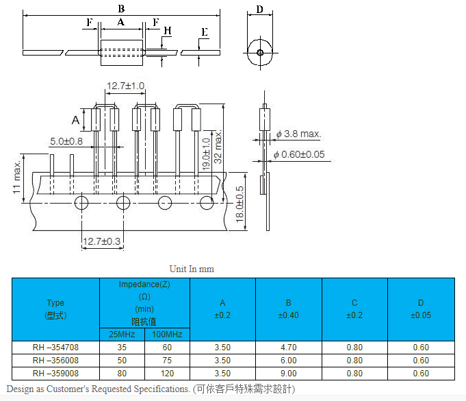
Product Identification (穿芯磁珠產品識別)
RH - (Ex. RH-354708X2)
1 2 3
1.Ferrite Beads (鐵氧體磁珠) (RH)
2.Outside Diameter “A ” x Length “B” x Pin Diameter “C”(外徑“A”x 長度 “B” x 孔徑 “C”)
3.Form (型式) X2→ Radial double core type (立式雙併型)
Configurations & Dimensions (結構圖及規格尺寸)









0755-27748686