菜单产品中心Product center
热门产品
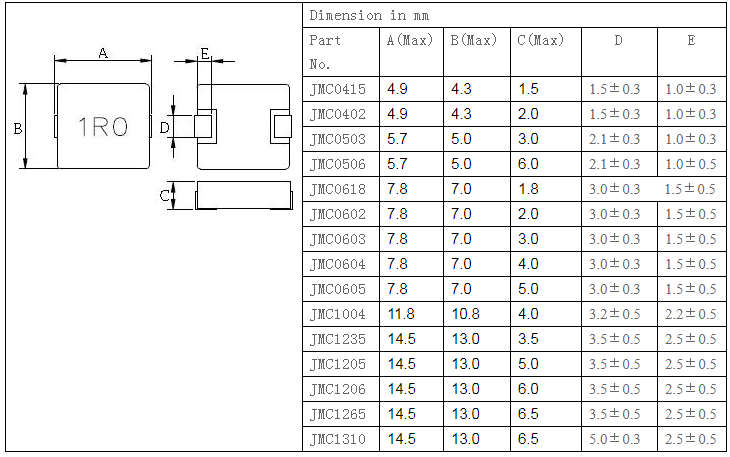
产品说明
FEATURES
●Super low resistance, ultra high current rating.
●High performance (Isat) realized by metal dust core.
●Frequency Range: up to 1MHz.
●RoHS compliant.
APPLICATIONS
●PDA, notebook, desktop, and server applications.
●Battery powered devices.
●Low profile, high current power supplies.
●DC/DC converters in distributed power systems.
●DC/DC converters for field programmable gate array.
PRODUCT IDENTIFICATION
JMC 0603 -2R2 M □□
① ② ③ ④ ⑤
① Product Code
② Dimensions
③ Inductance Code
④ Tolerance Code
⑤ Pattern Code
■ PRODUCT SERIES










0755-27748686